XM-B5E1-0604D
XR-B5E1-0604D RoHS



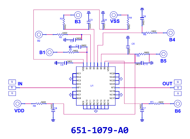
Phase Shifter, HMC1133LP5E [PCB: 1079]
Recommended Bias Controller: XM-B5E2-0804D-SP

Configurations

Unit of Measure

Product Page

N/A ADI

Spec Sheet

N/A HMC1133LP5E

Low Freq

N/A 4800 MHz

High Freq

N/A 6200 MHz

Range

N/A 360 Deg

Phase Step

N/A 5.625 Deg

IL

N/A 5 dB

RoHS

N/A XR-B5E1-0604D