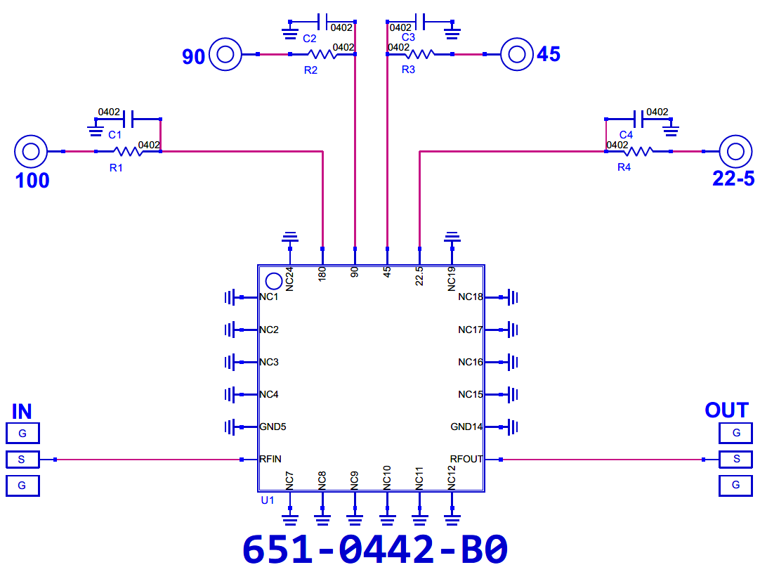
My Account Quotes (0) All Categories > X-MWblocks > Phase Shifters > XM-A4Y9-0604D All CategoriesAll Categories X-MWblocksX-MWblocks Phase ShiftersPhase Shifters XM-A4Y9-0604D XM-A4Y9-0604D, CMD176P4SMT XM-A4Y9-0604DCMD176P4SMTQorvo Request Information Email This Page Download PDF Download PDF Printable Page Buy Direct(Intl. add 15%) $351.00 Qty. Request Quote Configurations XM-A4Y9-0604C-01 xm-a4y9-0604c-01 CMD176P4SMT $610.00 Control Board XM-A5A1-0604D-SP xm-a5a1-0604d-sp GP Control Board $108.00 /Asset/0442_WEB.png /Asset/0442_WEB.png Close Window XM-A4Y9-0604DXR-A4Y9-0604D RoHSPhase Shifter, CMD176P4 [PCB: 0442]Recommended Bias Controller: XM-A5A1-0604D-SP Configurations Unit of Measure Imperial Metric Both Manufacturer Info Manufacturer Specs ROHS Product Page N/A Qorvo Spec Sheet N/A CMD176P4 Low Freq N/A 13000 MHz High Freq N/A 17000 MHz Range N/A 360 Deg Phase Step N/A 22.5 Deg IL N/A 8 dB RoHS N/A XR-A4Y9-0604D