XM-B2B6-0419D
XR-B2B6-0419D RoHS



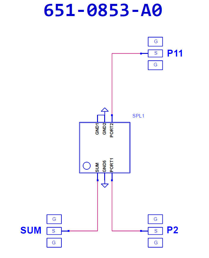
Splitter, LRPS-2-11+ [PCB: 0853]
2-Way F=20M-2G IL=3.7dB

Configurations

Unit of Measure

Product Page

N/A Mini-Circuits

Spec Sheet

N/A LRPS-2-11+

Low Freq

N/A 20 MHz

High Freq

N/A 2000 MHz

IL

N/A 3.7 dB

RoHS

N/A XR-B2B6-0419D