XM-C6J6-0909D
XR-C6J6-0909D RoHS

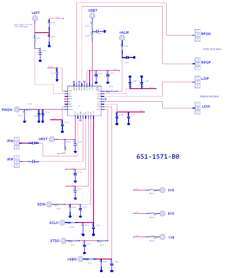
Upconverter, ADRF6780ACPZN [PCB: 1571]
IF Input to RF Output
Recommended Bias Controller: XM-C6K1-0909D-SP
Configurations
Unit of Measure
LO Level |
N/A 0 dBm |
LO Low Freq |
N/A 5400 MHz |
LO High Freq |
N/A 14000 MHz |
RF Low Freq |
N/A 5900 MHz |
RF High Freq |
N/A 23600 MHz |
IF Low FreqMixer |
N/A 300 MHz |
IF High Freq |
N/A 3500 MHz |
Gain |
N/A 11 dB |
RoHS |
N/A XR-C6J6-0909D |