XM-A7A7-0409D
XR-A7A7-0409D RoHS



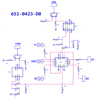
Voltage Regulator, ADP7182ACPZ-R7 [PCB: 0423]

Configurations

Unit of Measure

Product Page

N/A ADI

Spec Sheet

N/A ADP7182

PCB

N/A 0423

Category

N/A Voltage Regulator

RoHS

N/A XR-A7A7-0409D